公共监管
头部
无障碍
适老版
网站首页
走进江华
政务公开
办事服务
政民互动
政府数据
江华瑶族自治县人民政府
http://www.jh.gov.cn/
无障碍 |
适老版
网站首页
走进江华
政务公开
办事服务
政民互动
搜索
您现在所在的位置:
首页
>
政务公开
>
重点领域信息公开
>
公共监管
分享到:
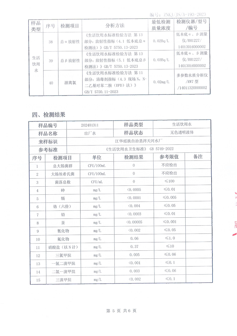
江华瑶族自治县自来水公司2024年1月份水质检测报告(40项)
发布时间:
2024-01-29 11:27
来源:
县自来水公司
作者:
字体【
大
中
小
】
扫一扫在手机打开当前页
【TOP】
【
打印页面
】【
关闭页面
】
无标题文档
政务
办事
互动
县情